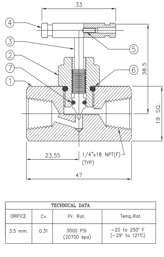
FTS Needle Valve
Needle Valve
Female x Female - Viton Pkg
Features:
Vee tip design - Controls accurate flow
Stem threads Rolled & Hard Plated - Provides additional strength & maximum service life.
Mirror Finish Stem, burnished to a 16RMS - Extends packing life and smooth stem operation
Fully Supported Packing - Reduces need for adjustment.
Packing Nut - Easy and fast to move external adjustment.
Stainless Steel Handle - For proper actuation.
Dust Cap - Prevents contaminants and lubricant washout of bonnet assembly.)
Maximum Working Pressure : 4000 PSI (280 bar) at 200 o C. .
100% Factory tested.
Quick Fact
Contact with us through our representative or submit a business inquiry online.
CALL TO ACTION



