FTS Needle Valve
Needle Valve
Female x Female
Features:
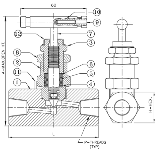
Hex Bar stock Body construction
Straight or Angle Pattern with Panel Mounting optional.
Metal to Metal or Stellited seats. Stem threads Rolled and hard plated and tie stellied (Vee Regulating one piece or nonregulating) or non-rotating ball tip optional.
2 piece Chevron packed offers zero leak, sealing over conventional packing design.
Variety of End connections include "FTS” single or twin ferrule tube fittings, Male or Female N. P. T. and I. S. O., DIN and JIS tapered pipe ends.
Maximum Working Pressure : 6000 PSI (400 bar) at 200 o C. 10000 PSI (700 bar) at 120 o C.
100% Factory tested.
Quick Fact
Contact with us through our representative or submit a business inquiry online.
CALL TO ACTION



