FTS Thermo Well
Thermo Well
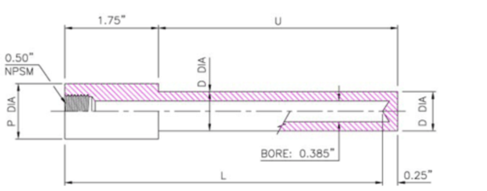
SOCKET-WELD ,STRAIGHT SHANK
3/8" NOMINAL BORE
Quick Fact
Contact with us through our representative or submit a business inquiry online.
CALL TO ACTION



