Double Ferrule and Tube Fittings
Double Ferrule and Tube Fittings
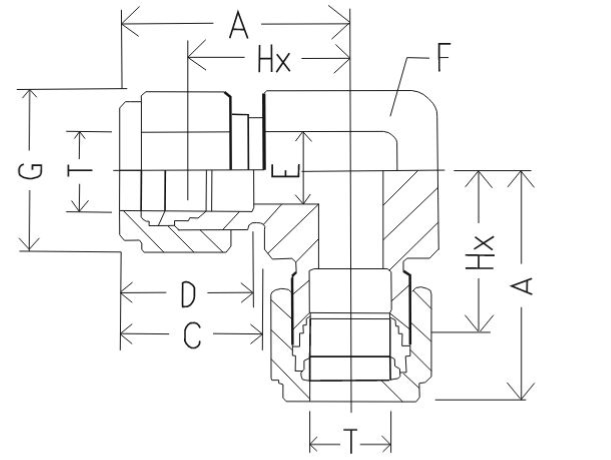
UNION ELBOW
Mertic OD Tube
Quick Fact
Contact with us through our representative or submit a business inquiry online.
CALL TO ACTION



