Double Ferrule and Tube Fittings
Double Ferrule and Tube Fittings
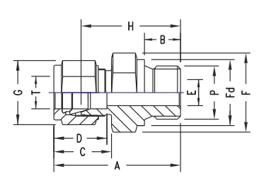
MALE CONNECTOR
INCH OD TUBE x Male ISO* Parallel Thread - RS
Quick Fact
Contact with us through our representative or submit a business inquiry online.
CALL TO ACTION



