Double Ferrule and Tube Fittings
Double Ferrule and Tube Fittings
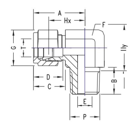
MALE ELBOW
METRIC OD TUBE x Male NPT Thread
Quick Fact
Contact with us through our representative or submit a business inquiry online.
CALL TO ACTION



