Double Ferrule and Tube Fittings
Double Ferrule and Tube Fittings
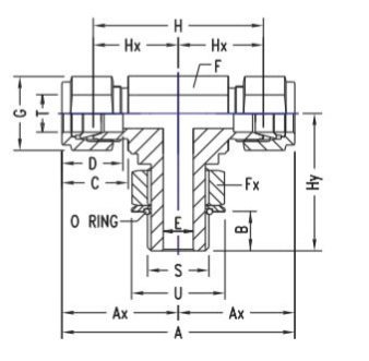
POSITIONABLE BRANCH TEE
INCH OD TUBE x Male ISO* Parallel Thread
METRIC OD TUBE x Male ISO* Parallel Threads
Quick Fact
Contact with us through our representative or submit a business inquiry online.
CALL TO ACTION



