Double Ferrule and Tube Fittings
Double Ferrule and Tube Fittings
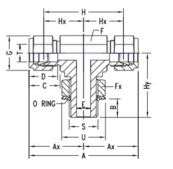
POSITIONABLE BRANCH TEE
INCH OD TUBE x SAE/MS *Straight threads
METRIC OD TUBE x SAE/MS *Straight thread
Quick Fact
Contact with us through our representative or submit a business inquiry online.
CALL TO ACTION



