Double Ferrule and Tube Fittings
Double Ferrule and Tube Fittings
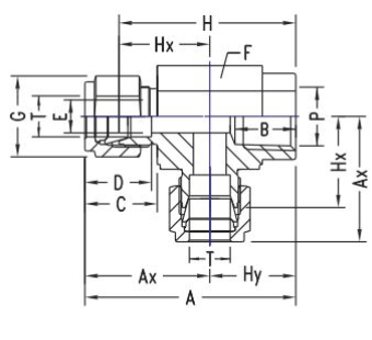
FEMALE RUN TEE
INCH OD TUBE x FEMALE NPT THREAD
METRIC OD TUBE x FEMALE NPT THREAD
Quick Fact
Contact with us through our representative or submit a business inquiry online.
CALL TO ACTION



