+91 932 1111 455 | +966 565306758

sales@faikatechnosystem.com

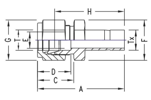
Double Ferrule and Tube Fittings

Double Ferrule and Tube Fittings

REDUCER

METRIC OD TUBE x METRIC OD Ports