+91 932 1111 455 | +966 565306758

sales@faikatechnosystem.com

Double Ferrule and Tube Fittings

Double Ferrule and Tube Fittings

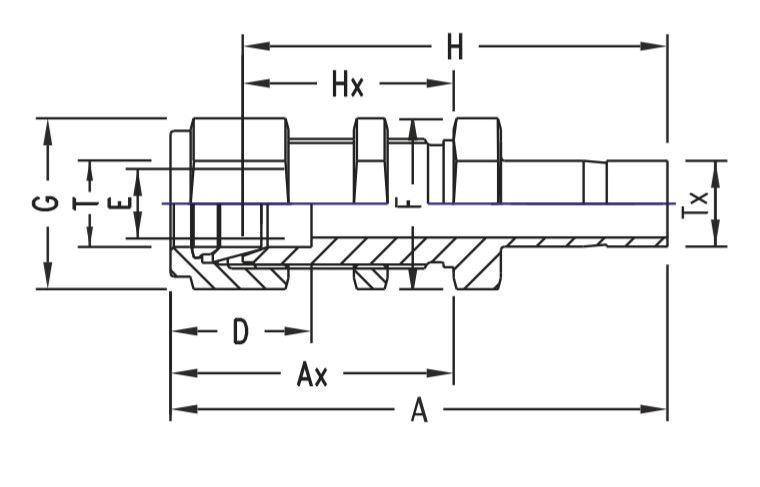
BULKHEAD REDUCER

INCH OD TUBE
METRIC OD TUBE