Double Ferrule and Tube Fittings
Double Ferrule and Tube Fittings
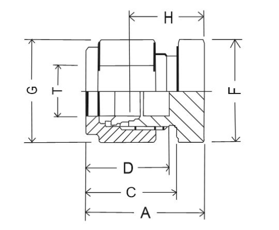
Tube End Closure
Mertic OD Tube
Quick Fact
Contact with us through our representative or submit a business inquiry online.
CALL TO ACTION



