+91 932 1111 455 | +966 565306758

sales@faikatechnosystem.com

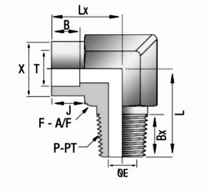
FTS Weld Fitting

Weld Fitting

MALE ELBOW

TUBE SOCKET WELD (FRACTIONAL) X MALE PIPE THREADS