+91 932 1111 455 | +966 565306758

sales@faikatechnosystem.com

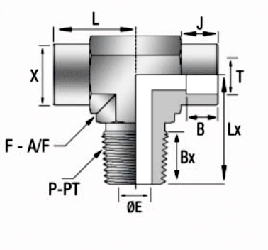
FTS Weld Fitting

Weld Fitting

MALE BRANCH TEE

TUBE SOCKET WELD (FRACTIONAL) X MALE PIPE THREADS (NPT)